RD1-UA Harmonik Filtreli Kaçak Akım Rölesi
RD1-UA Harmonik Filtreli Kaçak Akım Rölesi, endüstriyel tesislerin enerji altyapısında güvenlik ve süreklilik ihtiyacını karşılamak üzere geliştirilmiş, yüksek performanslı bir koruma cihazıdır. OEI-ORION imzasını taşıyan RD1-UA, elektriksel gürültü ve harmonik kaynaklı sorunların yoğun olduğu ortamlarda kararlı çalışmasıyla öne çıkar.
Modern endüstride inverterler, motor sürücüler ve elektronik yükler şebekede ciddi harmonik bozulmalara neden olur. Standart kaçak akım röleleri bu koşullarda “gereksiz açma” yaparak üretim hatlarının durmasına yol açabilir. RD1-UA Harmonik Filtreli Kaçak Akım Rölesi, bu sorunu özel filtreleme teknolojisiyle ortadan kaldırır ve sistem sürekliliğini güvence altına alır.
RD1-UA Harmonik Filtreli Kaçak Akım Rölesi Nedir?
RD1-UA, harmonik filtreleme özelliği sayesinde inverter, softstarter ve elektronik yüklerden kaynaklanan yüksek frekanslı parazitleri gerçek kaçak akım olarak algılamaz. Böylece yalnızca gerçek kaçak akım durumlarında açma yapar.
Bu özellik, özellikle endüstriyel tesislerde bakım ekiplerinin en çok şikayet ettiği nuisance tripping (gereksiz açma) problemini kökten çözer. Sistem kararlı çalışır, üretim kesintiye uğramaz.
Neden RD1-UA Harmonik Filtreli Kaçak Akım Rölesi Tercih Edilmeli?
-
Harmonik filtreleme sayesinde parazit kaynaklı yanlış açmaları önler
-
Şebeke kirliliğinden etkilenmeden kararlı çalışır
-
Üretim hatlarında beklenmedik duruşların önüne geçer
-
Kritik makineler ve motor grupları için güvenli koruma sağlar
-
Endüstriyel tesislerde enerji sürekliliğini destekler
RD1-UA, sıradan kaçak akım rölelerinin aksine yüksek frekanslı gürültü ile gerçek kaçak akımı net biçimde ayırt eder. Bu sayede hem güvenlikten ödün vermez hem de işletme verimliliğini artırır.
RD1-UA Harmonik Filtreli Kaçak Akım Rölesi Avantajları
Harmonik Filtreleme Teknolojisi
Harmonik filtreleme özelliği, inverter ve elektronik yüklerden kaynaklanan parazitleri süzer. Sistem güvenliği korunurken gereksiz açmalar engellenir.
Geniş Toroid Uyumu
60 mm ile 210 mm arasında değişen toroid çaplarıyla uyumlu çalışır. İnce kablolu hatlardan kalın baralı ana girişlere kadar farklı uygulamalarda rahatlıkla kullanılabilir.
Görsel Durum Takibi
Harici LED göstergeli modelleri sayesinde pano durumu uzaktan kolayca izlenebilir.
Kolay Montaj
Ray montajına uygun yapısı ile pano içinde minimum yer kaplar ve montaj süresini kısaltır.
RD1-UA Harmonik Filtreli Kaçak Akım Rölesi Teknik Özellikleri
-
Kaçak Akım Ayar Aralığı: 30 mA – 30 A
-
Zaman Gecikmesi: Selektivite için gecikmeli açma özelliği
-
Algılama Tipi: Toroid sensör ile hassas kaçak akım algılama
-
Kullanım Yapısı: Endüstriyel koşullara dayanıklı tasarım
Geniş ayar aralığı sayesinde RD1-UA; insan koruma uygulamalarında 30 mA seviyesinde, yangın ve cihaz koruma uygulamalarında ise amper seviyelerinde ayarlanabilir.
Tavsiye Edilen Kullanım Alanları
RD1-UA Harmonik Filtreli Kaçak Akım Rölesi, elektriksel gürültünün yoğun olduğu ağır sanayi uygulamaları için optimize edilmiştir.
-
Motor Sürücü Uygulamaları: İnverter ve softstarter kullanılan makineler
-
Pano Sistemleri: MCC panoları ve dağıtım panoları
-
Endüstriyel Tesisler: Demir-çelik, tekstil ve otomotiv üretim tesisleri
-
Otomasyon Sistemleri: Kesintisiz enerjinin kritik olduğu kontrol panoları
RD1-UA Harmonik Filtreli Kaçak Akım Rölesi, harmonik kaynaklı sorunların yoğun olduğu endüstriyel ortamlarda güvenilir, hassas ve kararlı bir koruma sunar. Gereksiz açmaları engeller, üretim sürekliliğini destekler ve enerji altyapınızda güvenli bir savunma hattı oluşturur.
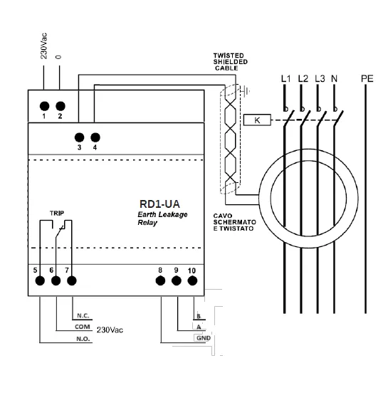
BAĞLANTI ŞEMASI

Enerjiniz kesilmesin, üretiminiz durmasın.
Harmoniklere karşı güçlü ve güvenilir bir çözüm arıyorsanız RD1-UA doğru tercihtir.
BROŞÜR & SERTİKA
RD1-UA Harmonik Filtreli Kaçak Akım Rölesi Broşür